TransPhoto

Фотографии публикуются на сайте как есть и не имеют цели продвижения какой-либо политической и/или идеологической позиции.

Материалы предоставляются пользователями и не являются отражением мнения администрации сайта.

Закрыть
Оборудование электротранспорта — Разное
Оборудование электротранспорта — Разное
Уфа
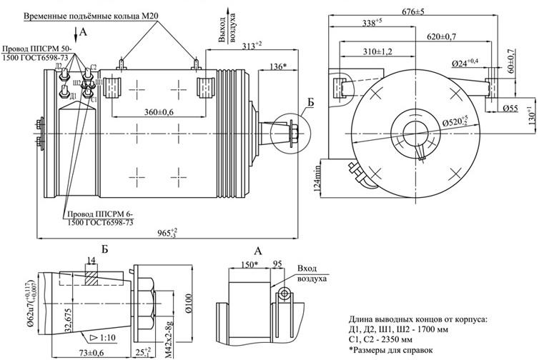
Схема электродвигателя ДК-213

Автор: Greendy · Уфа

Статистика

Лицензия: Copyright ©
Опубликовано 09.10.2023 10:09 MSK
Просмотров — 194

Подробная информация

Комментарии · 2

09.10.2023 11:28 MSK
Ссылка
Aidar · Уфа
Нет фотографий
И с какого места у этого движка издаётся тот самый "вой"? Вот в чем загадка
+2
+2 / –0
11.10.2023 17:32 MSK
Ссылка
Greendy · Уфа
Фото: 787
Цитата (Aidar, 09.10.2023):
> И с какого места у этого движка издаётся тот самый "вой"? Вот в чем загадка

"Тот самый" вой издают задние редуктора и мост
0
+0 / –0

Ваш комментарий

За обсуждение политики будет выноситься бан на 1 месяц и более.
Вы не вошли на сайт.
Комментарии могут оставлять только зарегистрированные пользователи.